星三角降压启动电路图原理
2026-03-30 00:14 来源:网络 点击:
星三角降压启动电路图原理
星三角降压启动电路图原理

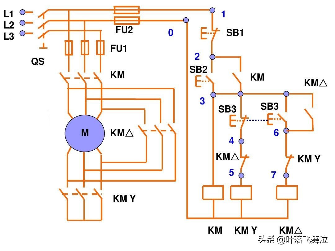
星三角减压启动控制电路是在启动时将电动机的绕组接成星形(避免启动时电流过大),待启动后再将绕组接成三角形,让电动机全压运行

电路运行原理:
1.星行启动:按下SB2--主接触器KM得电吸合--电流同时流过SB3常闭触点、角接触器辅助常闭触点、星接触器线圈--星接触器闭合--电动机封星运行

2.星自锁:

3:星角切换:按下按钮SB3--星接触器断电(联通角接触器常闭触点断开)--同时角接触器线圈得电吸合--星角接触器切换完毕

4:角接全压运行:松开按钮SB3--角接触器自锁--全压运行

相关标签:
-
- 一笔一划教你简笔画老鼠,还有视频哦
-
2026-03-29 12:47:53
-
- 莎莎昨晚坐高铁回河北啦,大头和龙队在香港的时候去买月饼啦
-
2026-03-29 12:45:38
-
- 全昭弥赴美拍摄广告 青春活力笑容满面
-
2026-03-29 12:43:24
-
- 龙王塘樱花园开园纳客 市民需线上实名预约购票
-
2026-03-29 12:41:10
-
- 或为中端新品?三星Galaxy C系列曝光
-
2026-03-29 12:38:55
-
- 存储卡还是很有用的
-
2026-03-29 12:36:41
-
- 城管提醒:红叶李果子不能吃 别摘
-
2026-03-29 12:34:27
-
- 成都被狗咬伤的女孩情况相对稳定,所有未使用的捐款将全额退还
-
2026-03-29 12:32:12
-
- 安装滴灌一亩地成本到底是多少钱?
-
2026-03-29 12:29:58
-
- 阿兰达瓦卓玛不为人知的另一面你一定不知道!
-
2026-03-29 12:27:44
-
- 违规运营代码共享航班 两家外航被罚42万美元
-
2026-03-29 01:58:30
-
- 微笑风 动漫微信头像走一个人
-
2026-03-29 01:56:16
-
- 全球发达国家排名
-
2026-03-29 01:54:02
-
- 两车事故后一轿车内发现女尸 司机逃离!黄山警方已抓获嫌犯
-
2026-03-29 01:51:47
-
- 科尔沁艺术职业学院举办职业教育宣传系列活动
-
2026-03-29 01:49:33
-
- 军队院校政审表(政治考核表)
-
2026-03-29 01:47:18
-
- 红烧鳕鱼这样做,好吃到舔盘
-
2026-03-29 01:45:04
-
- 工信部整合电信服务投诉和不良信息举报热线
-
2026-03-29 01:42:50
-
- 都说肩胛骨收缩,肩胛骨收缩,那肩胛骨到底是啥呢?
-
2026-03-29 01:40:35
-
- 成语典故之破釜沉舟
-
2026-03-29 01:38:21



沙特阿拉伯简介
地理西南·云南坝子汇集篇-红土大地-彝乡彝韵「楚雄篇」
唐笑与武警合体直播,再回应被打事件:感谢你站出来澄清事实真相
辅食微商初哆咪起底:无生产资质、涉嫌传销过亿、百万宝妈被套路
海上堡垒,钢铁巨兽 美国11艘现役核动力航空母舰一览详细解读
取一杯天上的水是什么歌(歌词中有取一杯天上的水是什么歌)
「空难回顾」消失的法航447航班
高仁:《翡翠恋人》中和李钟硕相爱相杀的恶少,其实是个暖男
世界上什么东西最大,让你惊掉下巴
海底捞一顿大概多少钱 海底捞贵吗